Лебедка CWG-30075 (380В)
Лебедка грузоподъемная ComeUP CWG-30075, 380В. Грузоподъемность - 300 кг.
Особенности:
- Планетарный редуктор.
- Электромагнитный тормоз.
- Надежный водонепроницаемый пульт (IP65) с кнопкой экстренной остановки.
- Низкий уровень шумости.
- Соответствует всем современным стандартам.
Характеристики:
- Грузоподъемность: 300 кг
- Скорость: 10-15 м/мин
- Мотор: 0,75 (кВт) x 4
- Передаточное число: 43:1
- Тип тормоза: Электромагнитный
- Напряжение: 380 В
- Вес лебедки с тросом: 32 кг
- Макс.высота подъема: 29 м
- Трос: 6 мм x 30 м
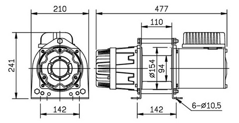
- Размер барабана: 110 x 94 мм
- Монтажные болты: 142 х 142 мм
Скорость намотки и максимальное тяговое усилие по слоям троса:
Слой троса |
Максимальная нагрузка (кг) |
Скорость намотки (м/мин) |
Остаток троса на барабане (м) |
1 |
444 |
10 |
5,4 |
2 |
396 |
11,4 |
11,5 |
3 |
358 |
12,5 |
18,3 |
4 |
326 |
13,8 |
25,7 |
5 |
300 |
15 |
30 |
Тяговое усилие при различных углах подъема:
Модель |
Ровная поверхность |
При уклоне в % и градусах |
||||
10%6° |
20%11° |
40%25° |
60%31° |
80%39° |
||
CWG-30075 |
2250 |
1200 |
900 |
600 |
500 |
400 |
Все расчеты произведены на верхнем слое намотки. На каждом предыдущем слое тяговое усилие возрастает на 10%;
- При использовании отводного блока для работы при помощи полиспаста 2 к 1, тяговое усилие возрастает на 85%;
- Тяговое усилие складывается из массы груза плюс 15% затрат на трение (в различных ситуациях может отличаться).
Размер лебедки (мм):
Ширина |
Глубина |
Высота |
477 |
210 |
241 |
ВНИМАНИЕ! Лебедку нельзя использовать для транспортировки людей
ГАРАНТИЯ: Каждая новая лебедка имеет гарантию от конструктивных и материальных дефектов действующую в течение предусмотренного периода отсчитываемого с даты покупки. Ограниченная гарантия на механические компоненты и один (1) год гарантии на электрические компоненты.
ГАРАНТИЯ НЕ РАСПОСТРАНАЯЕТСЯ НА СТАЛЬНОЙ ТРОС!
Упаковка:
Вес лебедки: 32 кг
Вес брутто: 34 кг
Размер коробки, мм (Д х Г х В): 635 × 296 × 290 мм
- Войдите на сайт для отправки комментариев


